合作客戶/
拜耳公司 |
同濟大學 |
聯合大學 |
美國保潔 |
美國強生 |
瑞士羅氏 |
相關新聞Info
-
> 烷基化碳量子點表面活性劑合成改性、表面張力、穩泡及乳化性能(三)
> 硅基納米原位乳化減阻劑與原油的界面張力達到10-1mN/m數量級,提高原油采收率
> 表面張力儀在藥物研發領域的應用【案例】
> 什么是納米氣泡?納米氣泡特征及制備方法
> 新型多羥基苯磺酸鹽驅油劑的界面張力優化及油田應用潛力分析(三)
> 利用氣體分析儀、超微量天平等研究DOC和DPF對柴油機排放性能影響
> 納米滲吸驅油劑種類、降低界面張力和改變潤濕性的能力等機理研究(一)
> 海洋環境表面活性物質來源及對海洋飛沫氣溶膠數濃度、粒徑分布、理化性質的影響(一)
> 蒙藥滴丸劑制備與表面張力有何關系?
> 陽-非離子復合表面活性劑體系表面張力測定及基礎性能評價(三)
推薦新聞Info
-
> 不同礦漿濃度、粒度、伴生礦物、捕收劑和起泡劑對礦漿表面張力的影響(三)
> 不同礦漿濃度、粒度、伴生礦物、捕收劑和起泡劑對礦漿表面張力的影響(二)
> 不同礦漿濃度、粒度、伴生礦物、捕收劑和起泡劑對礦漿表面張力的影響(一)
> 長慶油田隴東地區的CQZP-1助排劑表/界面張力測量及現場應用(三)
> 長慶油田隴東地區的CQZP-1助排劑表/界面張力測量及現場應用(二)
> 長慶油田隴東地區的CQZP-1助排劑表/界面張力測量及現場應用(一)
> 液膜斷裂點與電壓最大值在表面張力測量中的對比研究(二)
> 液膜斷裂點與電壓最大值在表面張力測量中的對比研究(一)
> ?表面張力與表面張力系數測量:概念、方法與科學意義
> 微重力下二極對非均勻旋轉磁場控制半浮區液橋表面張力對流的數值研究(下)
改性環氧樹脂乳液型碳纖維上漿劑制備、表面張力、黏度等性能測試(二)
來源:石油化工技術與經濟 瀏覽 1143 次 發布時間:2024-12-11
2結果與討論
2.1聚氨酯改性環氧樹脂上漿劑對碳纖維的影響
2.1.1上漿劑制備原理與組成結構
為改善上漿碳纖維的后加工工藝性能,采用六亞甲基二異氰酸酯(HDI)共聚改性雙酚A型環氧樹脂,制備聚氨酯結構改性的環氧樹脂組合物,同時加入表面活性劑十八碳醇聚氧乙烯醚、抗氧化劑2,6-二叔丁基對甲酚、流平劑BNK-LK380、防凍劑乙二醇丁醚等,通過轉相乳化、高速剪切工藝,制備聚氨酯結構改性的環氧樹脂乳液型上漿劑。
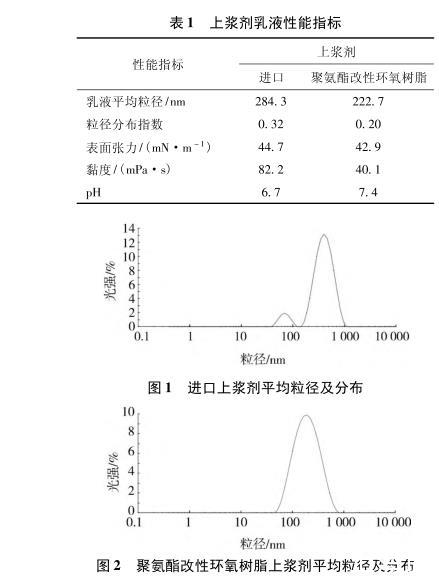
2.1.2上漿劑乳液的性能評價
制備的聚氨酯改性環氧樹脂上漿劑乳液性能測試結果見表1,粒徑及分布測試結果見圖1~2。
由表1和圖1~2可見:上漿劑乳液的平均粒徑小于250 nm,呈單峰均勻分布,可滿足碳纖維工程應用的長期儲運要求;表面張力和經處理后的碳纖維表面能近似,更有利于乳液在碳纖維表面的快速鋪展;黏度低,有利于上漿劑的浸潤吸附和上漿劑的內部流動;pH穩定,對設備要求低,腐蝕性小。
2.1.3上漿劑對碳纖維性能的影響
采用聚氨酯改性環氧樹脂上漿劑制備的碳纖維性能見表2。
表2測試結果表明:采用上海石化研制的聚氨酯改性環氧樹脂碳纖維上漿劑,制備的上漿碳纖維工藝性能優異,集束性和擴幅性均較為突出,耐磨性遠超進口上漿劑,毛絲量大幅度降低,層間剪切強度與進口上漿劑處于同一水平。上漿碳纖維綜合物理性能達到或超過國外同類上漿劑水平,可滿足多種后加工工藝的制備需求。
碳纖維表面SEM掃描電鏡結果表明,上漿劑在碳纖維表面鋪展均勻,無明顯瑕疵斑塊,在碳纖維表面的成膜性能較為良好。
2.2聚酯改性環氧樹脂上漿劑對碳纖維的影響
2.2.1上漿劑制備原理與組成結構
為滿足碳纖維工程化應用的快速上漿需求,上海石化研發了聚酯改性環氧樹脂乳液上漿劑,采用聚乙二酸乙二醇酯共混改性雙酚A型環氧樹脂,并加入針對性開發的雙酚A聚醚陰離子表面活性劑、BNK-LK380、2,6-二叔丁基對甲酚等組分。雙酚A聚醚陰離子表面活性劑由枯基苯酚為引發劑,采用環氧乙烷開環聚合方法和連續磺銨基化反應得到。
所制備的聚酯改性環氧樹脂上漿劑在核磁共振譜圖的1.6×10-6、3.8×10-6、4.8×10-6、6.8×10-6、7.2×10-6處,紅外光譜在3 309 cm-1、2 971/2 870cm-1、1 600 cm-1、1 721 cm-1以及1 103 cm-1等處出現甲基、苯環、聚酯、聚醚的特征吸收峰,表明結構中存在聚酯多元醇、雙酚A聚醚陰離子表面活性劑等組分。雙酚A聚醚陰離子表面活性劑具有優異的乳化性能和極低的浸潤性能,在和聚酯多元醇配合的情況下,可顯著降低上漿劑乳液的表面張力,提高上漿效率,增強上漿均勻性和穩定性。
2.2.2上漿劑乳液的性能評價
制備的聚酯改性環氧樹脂上漿劑乳液性能見表3,粒徑及分布測試結果見圖3。
與進口上漿劑相比,制備的上漿劑乳液粒徑穩定,變化率小,可穩定保存;黏度低,不易沾輥絮化;pH呈中性。
上漿劑的表面張力是決定上漿劑對碳纖維吸附能力和效果的首要因素。上漿劑表面張力越小,上漿劑在碳纖維表面鋪展速度越快,上漿過程所需的浸漬時間越少,可以在一定程度上加快生產速度,提高經濟效益。聚酯改性環氧樹脂上漿劑的表面張力顯著降低,碳纖維的浸潤時間大幅度縮減,浸潤鋪展速度更快,可有效降低上漿時間,有利于碳纖維生產線速度的提高。
2.2.3上漿劑對碳纖維性能的影響
采用聚酯改性環氧樹脂上漿劑制備的上漿碳纖維,其表面SEM掃描電鏡結果見圖4,性能測試結果見表4。
測試結果表明,同樣上漿劑濃度下,采用進口上漿劑制備的上漿碳纖維,上漿量較低,離散程度高,表面仍可見較明顯的溝槽,表面粗糙度較高,上漿分布不均勻;采用聚酯改性環氧樹脂上漿劑制備的上漿碳纖維,上漿量更高,表面光滑均勻,上漿劑填充了表面溝槽結構,降低了表面粗糙度,上漿效果更為均勻穩定,填充能力更強,上漿速度更快。
改性環氧樹脂乳液型碳纖維上漿劑制備、表面張力、黏度等性能測試(一)





